您當前的位置: 網站首頁 > 新聞中心 > 選錳 > 螺旋溜槽選礦重選設備中的佼佼者
在選礦工藝中,一次選礦精礦品位并不高,只有經過二次選礦或多次選礦才能得到高品位精礦,這就是所謂的重選,在眾多重選設備中螺旋溜槽是其中的佼佼者,螺旋溜槽以均勻的給礦、流量和濃度溫度而深受歡迎。
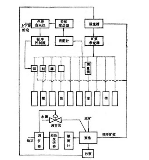
在重選過程中,礦漿通過泵池分成合格砂漿和選重選礦漿,經溢流槽均勻的輸送到各螺旋溜槽中,由于螺旋溜槽配套設施中配有測量筒,可以完全測量進入溜槽中的礦漿容量,但隨著礦漿濃度的不同,礦漿切割器處于高位或低位,螺旋溜槽的工作臺數也不同,返回泵池的礦漿量也隨之而變。
以下就是使用螺旋溜槽的重選流程圖
